泊头市天达联轴器有限公司专注从事联轴器、减速机及支架的研究、生产。我们各种设备多样, 技术力量优良,生产各种类型联轴器,产品主要有:各种联轴器配件 、膜片联轴器 、轻型万向节联轴器 、重型万向节联轴器 、梅花弹性联轴器 、螺旋弹性联轴器。详细 
| 地址: | 泊头市工业区 |
| 网址: | www.cztdlzq.com |
| 邮箱: | bttdlzq@163.com |


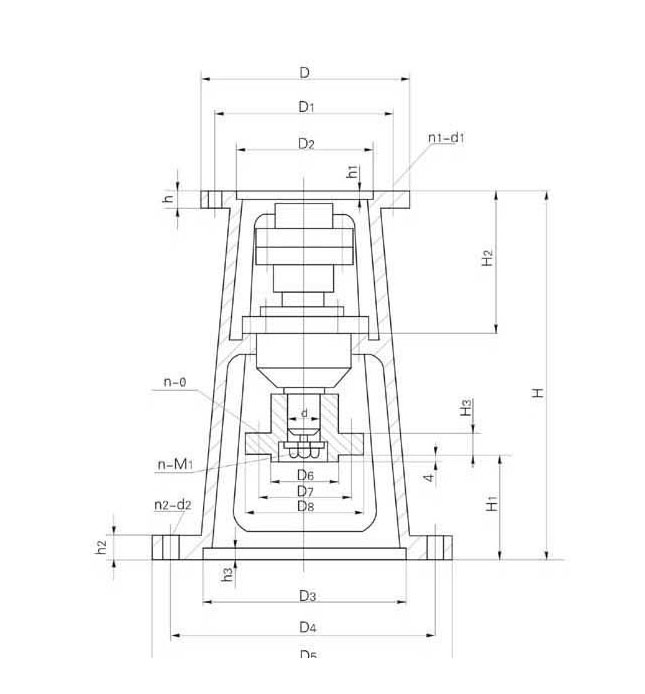
TJ搪玻璃反应罐通用机架,包括架体、架体内连接一密封轴承盒、传动轴穿过轴承盒并通过上轴承和下轴承安装在轴承盒内,传动轴连接与动力装置连接的连轴器,传动轴下端与搪玻璃反应罐的搅拌轴连接,传动轴为多级台阶传动轴,主要技术特点是传动轴不切槽,加工简单,提高了传动轴扭力强度;节省了轴套,节约材料,降低了成本。拆卸安装简单方便。

TJ型机架、下装JA型联轴器,主要参数及尺寸