泊头市天达联轴器有限公司专注从事联轴器、减速机及支架的研究、生产。我们各种设备多样, 技术力量优良,生产各种类型联轴器,产品主要有:各种联轴器配件 、膜片联轴器 、轻型万向节联轴器 、重型万向节联轴器 、梅花弹性联轴器 、螺旋弹性联轴器。详细 
| 地址: | 泊头市工业区 |
| 网址: | www.cztdlzq.com |
| 邮箱: | bttdlzq@163.com |


1、推动器为机电一体化产品,具有下列特点:
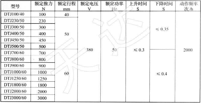
节能型长行程电磁推动器反应灵敏,操作频率高。适用于不间断及八小时工作制。断续周期工作可达2000次/小时。
,使用寿命长。电子自控装置对推动进行动态控制,使之出现过载时加以,并合理分配功率,产生明显节能效果,它比MZD、MZS、推动器节电90%;使用每台电磁推动器每年可节电、节油1300-1500元,比YT、MYT、ED推动器节电30%,从而延缓了线包的老化程度,大提高了使用寿命。
提高工作效率,免维护 。由于合理的工作原理,使之不同于液压及老型号电磁推动器需补充油液及频繁 换线包,避免了非正常工作停顿带来的经济损失。
2、合理的机械设计师使之具有安装简单,维修方便,体积小,重量轻。
3、规格品种,按符合不同标准分为两个推动系列,共有十五个规格型号。
4、 具有广泛的通用性。
因采用螺旋可调试衔接头及可 换底座,所以安装尺寸JB/ZQ433-86、JB/DQ4516-89、JB/T6406*3-92及德国标准DN15430所表示的数据。
型式: 型号意义:

表(1)基本参数

表(二)基本参数
