泊头市天达联轴器有限公司专注从事联轴器、减速机及支架的研究、生产。我们各种设备多样, 技术力量优良,生产各种类型联轴器,产品主要有:各种联轴器配件 、膜片联轴器 、轻型万向节联轴器 、重型万向节联轴器 、梅花弹性联轴器 、螺旋弹性联轴器。详细 
| 地址: | 泊头市工业区 |
| 网址: | www.cztdlzq.com |
| 邮箱: | bttdlzq@163.com |


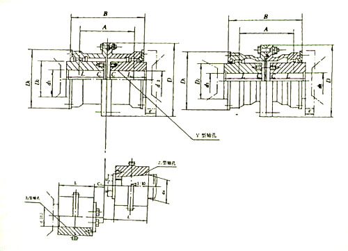
GICL型-鼓形齿式联轴器(JB/T 8845.3-2001)属于刚挠性联轴器,齿式联轴器是由齿数相同的内齿圈和带外 齿的凸缘半联轴器等零件组成。外齿分为直齿和鼓形齿两种齿形,所谓鼓形齿即为将外齿制成球面,球面 在齿轮轴线上,齿侧间隙较一般齿轮大,鼓形齿联轴器 可允许较大的角位移(相对于直齿联轴器),可 齿的接触条件,提高传递转矩的能力,延长使用寿命。有角位移时沿齿宽的接触状态。具有径向、轴向和角向等 轴线偏差补偿能力,具有结构紧凑、回转半径小、承载能力大、传动、噪声低及维修周期长等优点,特别适用于低速重载工况,如冶金、矿山、起重运输等行 业、也适用于石油、化工、通用机械等各类机械的轴系传动。
GICL型-鼓形齿式联轴器基本参数和主要尺寸

| 型号 | 公称扭矩Tn(N.m) | 许用转速[n](r/min) | 轴孔直径d1,d2,dz | 轴孔长度 | D | C | C1 | C2 | 转动惯量 Kg.m2 |
重量 Kg |
|
| Y | Z1,J1 | ||||||||||
| L | |||||||||||
| GICL1 | 630 | 4000 | 16 18 19 | 42 | - | 125 | 20 | - | - | 0.009 | 5.9 |
| 20 22 24 | 52 | 38 | - | 24 | |||||||
| 25 28 | 62 | 44 | 10 | - | 19 | ||||||
| 30 32 35 38 | 82 | 60 | 2.5 | 15 | 22 | ||||||
| GICL2 | 1120 | 4000 | 25 28 | 62 | 44 | 144 | 10.5 | - | 29 | 0.02 | 9.7 |
| 30 32 35 38 | 82 | 60 | 12.5 | 30 | |||||||
| 40 42 45 48 | 112 | 84 | 2.5 | 13.5 | 28 | ||||||
| GICL3 | 2240 | 4000 | 30 32 35 38 | 82 | 60 | 174 | 3 | 24.5 | 25 | 0.047 | 17.2 |
| 40 42 45 48 50 55 56 | 112 | 84 | 17 | 28 | |||||||
| 60 | 142 | 107 | 35 | ||||||||
| GICL4 | 3600 | 4000 | 32 35 38 | 82 | 60 | 196 | 14 | 37 | 32 | 0.091 | 24.9 |
| 40 42 45 48 50 55 56 | 112 | 84 | 28 | ||||||||
| 60 63 65 70 | 142 | 107 | 3 | 17 | 35 | ||||||
| GICL5 | 5000 | 3300 | 40 42 45 48 50 55 56 | 112 | 84 | 224 | 3 | 25 | 28 | 0.167 | 38 |
| 60 63 65 70 71 75 | 142 | 107 | 20 | 35 | |||||||
| 80 | 172 | 132 | 22 | 43 | |||||||
| GICL6 | 7100 | 3000 | 48 50 55 56 | 112 | 84 | 241 | 6 | 35 | 35 | 0.267 | 48.2 |
| 60 63 65 70 71 75 | 142 | 107 | 20 | 35 | |||||||
| 80 85 90 | 172 | 132 | 4 | 22 | 43 | ||||||
| GICL7 | 10000 | 2680 | 60 63 65 70 71 75 | 142 | 107 | 260 | 4 | 35 | 35 | 0.453 | 68.9 |
| 80 85 90 95 | 172 | 132 | 22 | 43 | |||||||
| 100 | 212 | 167 | 48 | ||||||||
| GICL8 | 14000 | 2500 | 65 70 71 75 | 142 | 107 | 282 | 5 | 35 | 35 | 0.646 | 83.3 |
| 80 85 90 95 | 172 | 132 | 22 | 43 | |||||||
| 100 110 | 212 | 167 | 48 | ||||||||
| GICL9 | 18000 | 2350 | 70 71 75 | 142 | 107 | 314 | 10 | 45 | 45 | 1.036 | 110 |
| 80 85 90 95 | 172 | 132 | |||||||||
| 100 110 120 125 | 212 | 167 | 5 | 22 | 43 | ||||||
| 49 | |||||||||||
| GICL10 | 31500 | 2150 | 80 85 90 95 | 172 | 132 | 346 | 5 | 43 | 43 | 1.88 | 157 |
| 100 110 120 125 | 212 | 167 | 22 | 49 | |||||||
| 130 140 | 252 | 202 | 29 | 54 | |||||||
| GICL11 | 40000 | 1880 | 100 110 120 125 | 212 | 167 | 380 | 6 | 29 | 49 | 3.28 | 217 |
| 130 140 150 | 252 | 202 | 54 | ||||||||
| 160 | 302 | 242 | 64 | ||||||||
| GICL12 | 56000 | 1680 | 120 125 | 212 | 167 | 442 | 6 | 57 | 57 | 5.08 | 305 |
| 130 140 150 | 252 | 202 | 29 | 55 | |||||||
| 160 170 180 | 302 | 242 | 68 | ||||||||
| GICL13 | 80000 | 1530 | 140 150 | 252 | 202 | 482 | 7 | 54 | 57 | 10.06 | 419 |
| 160 170 180 | 302 | 242 | 32 | 70 | |||||||
| 190 200 | 352 | 282 | 80 | ||||||||
| GICL14 | 112000 | 1300 | 160 170 180 | 302 | 242 | 520 | 8 | 42 | 70 | 16.774 | 594 |
| 190 200 220 | 352 | 282 | 32 | 80 | |||||||
| GICL15 | 160000 | 1180 | 190 200 220 | 352 | 282 | 580 | 10 | 34 | 80 | 26.55 | 783 |
| 140 150 | 410 | 330 | 38 | - | |||||||
| GICL16 | 250000 | 1000 | 200 220 | 352 | 282 | 680 | 10 | 58 | 80 | 52.22 | 1134 |
| 240 250 260 | 410 | 330 | 38 | - | |||||||
| 280 | 470 | 380 | 38 | ||||||||
| GICL17 | 280000 | 980 | 220 | 352 | 282 | 720 | 10 | 74 | 80 | 69 | 1305 |
| 240 250 260 | 410 | 330 | |||||||||
| 280 300 | 470 | 380 | 39 | - | |||||||
| GICL18 | 355000 | 900 | 240 250 260 | 410 | 330 | 775 | 10 | 46 | - | 96.16 | 1626 |
| 280 300 320 | 470 | 380 | 41 | - | |||||||
| GICL19 | 450000 | 830 | 260 | 410 | 330 | 815 | 10 | 67 | - | 115.6 | 1773 |
| 280 300 320 | 470 | 380 | 41 | ||||||||
| 340 | 550 | 450 | |||||||||
| GICL20 | 500000 | 790 | 280 300 320 | 470 | 380 | 855 | 13 | 44 | - | 167.41 | 2263 |
| 340 360 | 550 | 450 | |||||||||
| GICL21 | 630000 | 750 | 300 320 | 470 | 380 | 915 | 13 | 59 | - | 215.7 | 2593 |
| 340 360 380 | 550 | 450 | 44 | ||||||||